路由器:
在线设置:服务IP或域名 hongdian.fcbox.com 服务端口 7999
路由器:
在线设置:服务IP或域名 hongdian.fcbox.com 服务端口 7999
docker run --name gopeed -d -p 9999:9999 liwei2633/gopeed
掛載下載目錄
docker run --name gopeed -d -p 9999:9999 \
-v /path/to/download:/app/Downloads \
liwei2633/gopeed
掛載資料目錄
描述
本文向大家介绍的这款开关稳压电路,采用美国Lambda公司生产的LA6350单片大功率
开关稳压集成电路设计的开关型稳压电源,不仅电路简单、调试容易、功能完善,而且所需的散 热器面积小、输出功率大、制作成本低,是电子爱好者制作开关稳压电源的理想电路。
LA6350具有以下特点:
1)输出电压在 2.5-30V内连续可调;
2)单片输出电流可达5A;
3)开关工作频率高于22kHz;
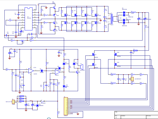
此电路的特点是体积小,效率高,在额定功率范围内温升很小,最大输出功率500W,若要增加功率只要增加并联功率场效应 管,可以通过外接电位器进行脉宽调制。元件选择:驱动电路是专用的脉宽调制震荡SG3524,因其外围元件少,制作简单, 所有元件可以用最紧凑的搭焊方法焊在外围,这样可以缩小体积,本电路是否成功的关键是功率场效应管的选择,它的参数最 好是50V50A以上,可选用的是 IRF1010,50V75A的,7、8脚的电阻和电容决定了震荡频率。本电路的频率是250HZ,比工频 50HZ高出五倍,所以输出变压器的尺寸和绕制圈数就可以相应减少。如果要工作在50HZ的工频可以适当增大C R的值,这样 就可以配接标准的工频控制变压器,这样充电更简单,由于功率管的内部有阻伲二极管,所以只要K断开,直接在输出端输入 220V的市电就可以了,整个电路可以用AB胶粘在50X60X1的铝板上。
利用TL494组成的400W大功率稳压逆变器电路。它激式变换部分采用TL494,VT1、VT2、VD3、VD4构成灌电流驱动电路,驱 动两路各两只60V/30A的MOS FET开关管。如需提高输出功率,每路可采用3~4只开关管并联应用,电路不变。TL494在该逆 变器中的应用方法如下: 第1、2脚构成稳压取样、误差放大系统,正相输入端1脚输入逆变器次级取样绕组整流输出的15V直流电压,经R1、R2分 压,使第1脚在逆变器正常工作时有近4.7~5.6V取样电压。反相输入端2脚输入5V基准电压(由14脚输出)。当输出电压降低 时,1脚电压降低,误差放大器输出低电平,通过PWM电路使输出电压升高。正常时1脚电压值为5.4V,2脚电压值为5V,3脚 电压值为0.06V。此时输出AC电压为235V(方波电压)。第4脚外接R6、R4、C2设定死区时间。正常电压值为0.01V。第5、6脚外 接CT、RT设定振荡器三角波频率为100Hz。正常时5脚电压值为1.75V,6脚电压值为3.73V。第7脚为共地。第8、11脚为内部驱 动输出三极管集电极,第12脚为TL494前级供电端,此三端通过开关S控制TL494的启动/停止,作为逆变器的控制开关。当S1 关断时,TL494无输出脉冲,因此开关管VT4~VT6无任何电流。S1接通时,此三脚电压值为蓄电池的正极电压。第9、10脚为 内部驱动级三极管发射极,输出两路时序不同的正脉冲。正常时电压值为1.8V。第13、14、15脚其中14脚输出5V基准电压, 使13脚有5V高电平,控制门电路,触发器输出两路驱动脉冲,用于推挽开关电路。第15脚外接5V电压,构成误差放大器反相 输入基准电压,以使同相输入端16脚构成高电平保护输入端。此接法中,当第16脚输入大于5V的高电平时,可通过稳压作用 降低输出电压,或关断驱动脉冲而实现保护。在它激逆变器中输出超压的可能性几乎没有,故该电路中第16脚未用,由电阻 R8接地。 该逆变器采用容量为400VA的工频变压器,铁芯采用45×60mm2的硅钢片。初级绕组采用直径1.2mm的漆包线,两根并绕2×20 匝。次级取样绕组采用0.41mm漆包线绕36匝,中心抽头。次级绕组按230V计算,采用0.8mm漆包线绕400匝。开关管VT4~VT6 可用60V/30A任何型号的N沟道MOS FET管代替。VD7可用1N400X系列普通二极管。该电路几乎不经调试即可正常工作。当C9 正极端电压为12V时,R1可在3.6~4.7kΩ之间选择,或用10kΩ电位器调整,使输出电压为额定值。如将此逆变器输出功率增大 为近600W,为了避免初级电流过大,增大电阻性损耗,宜将蓄电池改用24V,开关管可选用VDS为100V的大电流MOS FET 管。需注意的是,宁可选用多管并联,而不选用单只IDS大于50A的开关管,其原因是:一则价格较高,二则驱动太困难。建 议选用100V/32A的2SK564,或选用三只2SK906并联应用。同时,变压器铁芯截面需达到50cm2,按普通电源变压器计算方式 算出匝数和线径,或者采用废UPS-600中变压器代用。如为电冰箱、电风扇供电,请勿忘记加入LC低通滤波器。 (520101)
sg3525驱动8对3525 带限流闭环升降压电路
后级可修正可正弦


这个机器,BT 是 12V,也可以是 24V,12V 时我的目标是800W,力争1000W,整体结构是学习了钟工的 3000W 机器,也是下面一个大散热板,上面是一块和散热板一样大小的功率主板,长 228MM,宽 140MM。升压部分的4 个功率管,H桥的 4 个功率管及 4 个 TO220 封装的快速二极管直接拧在散热板;DC-DC 升压电路的驱动板和 SPWM 的驱动板直插在功率主板上。 因为电流较大,所以用了三对 6 平方的软线直接焊在功率板上:吸取了以前的教训:以前因为 PCB 设计得不好,打了很多样,花了很多冤
Powered By Z-BlogPHP 1.7.4